Ürün Hakkında

Kategori |
: |
Hazır Kalıp Setleri |
Ürün Adı |
: |
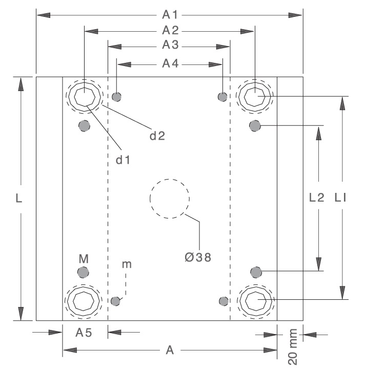
Enjeksiyon Kalıp Seti EKS-ED |
Stok Kodu |
: |
EKS-ED |
Stok Durumu |
: |
Stok sorunuz. |
Fiyatı |
: |
- |
